OCT-19 lens to Canon EOS camera mount adapter

- Details
- More Information
- Reviews
- Questions
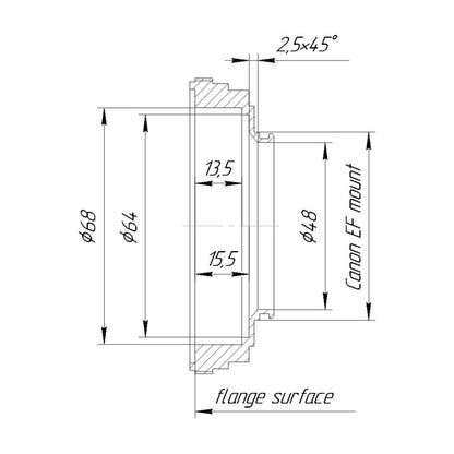
This adapter is made to use OCT-19 LOMO cine lenses on Canon EOS cameras and other systems that adopt EF mount.
Distinctive feature is maximizing inner space to allow using as many lens types as possible (even 0.5mm matters there).
Tripod support has two standard screw holes - for 1/4″ and 3/8″ screws. Well balanced - picture shows the camera with the adapter and OKC6-75-1 lens standing on the leg without any extra support (with other cameras balance may be different, but not too much).
Tested lenses that fit this adapters and focusing to infinity are:
- LOMO OKS5-18-1
- LOMO OKS3-22-1
- LOMO OKS7-28-1
- LOMO OKS11-35-1
- LOMO OKS6-75-1
Tested on old 300D and more modern 70D. Works fine on both.
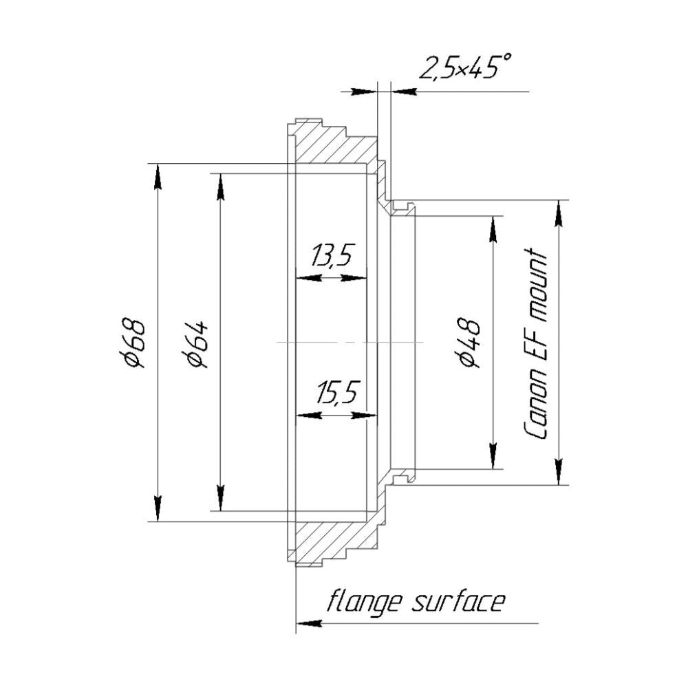
Please measure your lens rear part and compare it with the provided drawing to see if it can fit. The lens should be set to infinity for these measurements.
| Adapter Front Side | 16-SP |
| Adapter Rear Side | Leica L mount |
| Material | Aluminium |
| Manufacturer | RafCamera |
| Advantages |
|
This adapter is made to use OCT-19 LOMO cine lenses on Canon EOS cameras and other systems that adopt EF mount.
Distinctive feature is maximizing inner space to allow using as many lens types as possible (even 0.5mm matters there).
Tripod support has two standard screw holes - for 1/4″ and 3/8″ screws. Well balanced - picture shows the camera with the adapter and OKC6-75-1 lens standing on the leg without any extra support (with other cameras balance may be different, but not too much).
Tested lenses that fit this adapters and focusing to infinity are:
- LOMO OKS5-18-1
- LOMO OKS3-22-1
- LOMO OKS7-28-1
- LOMO OKS11-35-1
- LOMO OKS6-75-1
Tested on old 300D and more modern 70D. Works fine on both.
Please measure your lens rear part and compare it with the provided drawing to see if it can fit. The lens should be set to infinity for these measurements.
| Adapter Front Side | 16-SP |
| Adapter Rear Side | Leica L mount |
| Material | Aluminium |
| Manufacturer | RafCamera |
| Advantages |
|